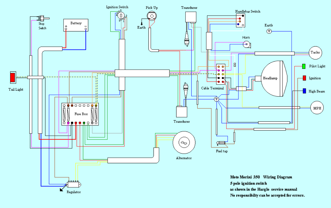
Hello ,
here is a wiring diagram of first model .
Christian .
Search found 43 matches
- 30 Sep 2025 10:59
- Forum: Tre e mezzo
- Topic: Voltage regulator wiring?
- Replies: 6
- Views: 5310
- 10 Aug 2025 09:56
- Forum: Bikes and bits for sale
- Topic: 500 sei for sale .
- Replies: 0
- Views: 4128
500 sei for sale .
Hello , For sale , a 500 sei with full Belgian registration , only really 18000km , less than 11185 Miles . At 17000km the bike has had complete services like new timing belt oil etc ... 2 years ago . And the owner has done les than 1000km since . The bike is in Belgium next Namur . Asking price fro...
- 18 Jul 2025 18:11
- Forum: Tre e mezzo
- Topic: 350 at Gedine race Belgium
- Replies: 2
- Views: 1619
350 at Gedine race Belgium
Hello ,
About 350 . Here is a photo from Gedine that show the gap between the fairing and the tar .
Christian , 123 .
About 350 . Here is a photo from Gedine that show the gap between the fairing and the tar .
Christian , 123 .
- 16 Jul 2025 20:17
- Forum: The 500
- Topic: Rear shock absorbers - 300mm
- Replies: 9
- Views: 3603
Re: Rear shock absorbers - 300mm
Re-re ,
The lenght of the 500 ...
Christian , 123 .
The lenght of the 500 ...
Christian , 123 .
- 16 Jul 2025 20:14
- Forum: The 500
- Topic: Rear shock absorbers - 300mm
- Replies: 9
- Views: 3603
Re: Rear shock absorbers - 300mm
Re -
Here are photos of the lenght of shoks .
Here are photos of the lenght of shoks .
- 16 Jul 2025 20:07
- Forum: The 500
- Topic: Rear shock absorbers - 300mm
- Replies: 9
- Views: 3603
Re: Rear shock absorbers - 300mm
Hello ,
I just have a look at your subject . In fact 300mm between centers are only for 350 .
On the 500 the rear fork is longer + or - 60mm compare to the 350 .
Than on the 500 the shocks the lenght is 320mm between centers .
Christian , 123 .
I just have a look at your subject . In fact 300mm between centers are only for 350 .
On the 500 the rear fork is longer + or - 60mm compare to the 350 .
Than on the 500 the shocks the lenght is 320mm between centers .
Christian , 123 .
- 03 Jul 2025 18:03
- Forum: Tre e mezzo
- Topic: the large OD clutch-basket spacer/washer
- Replies: 3
- Views: 1392
Re: the large OD clutch-basket spacer/washer
Hi Simon ,
I sent you a PM too about the sending .
Christian .
I sent you a PM too about the sending .
Christian .
- 01 Jul 2025 16:24
- Forum: Tre e mezzo
- Topic: the large OD clutch-basket spacer/washer
- Replies: 3
- Views: 1392
Re: the large OD clutch-basket spacer/washer
Hello ,
Are you still looking for the spacer 15:05:12 ? If yes I have got one for you .
I send you a PM .
Christian , 123 .
Are you still looking for the spacer 15:05:12 ? If yes I have got one for you .
I send you a PM .
Christian , 123 .
- 26 Jun 2025 12:12
- Forum: Tre e mezzo
- Topic: damaged piston
- Replies: 12
- Views: 3012
Re: damaged piston
Usually on Morini V twin pistons head when nothing is stamped it is standard piston 62mm Ø
Christian ,123 .
Christian ,123 .
- 26 Jun 2025 10:36
- Forum: Tre e mezzo
- Topic: damaged piston
- Replies: 12
- Views: 3012
Re: damaged piston
Here is the head of the piston + 0.20mm .
Christian , 123 .
Christian , 123 .
- 26 Jun 2025 10:32
- Forum: Tre e mezzo
- Topic: damaged piston
- Replies: 12
- Views: 3012
Re: damaged piston
Hello , As I said in my former message if you measure the Ø of the cylinder you have the answer . If the Ø is 62mm the answer is std . If the Ø is 62.2 the answer is +0.2 . If the Ø is 62.4 the answer is +04 . And if the Ø is 62.6 the answer is +0.6mm This cylinder is for a standard piston . std . I...
- 25 Jun 2025 18:42
- Forum: Tre e mezzo
- Topic: damaged piston
- Replies: 12
- Views: 3012
Re: damaged piston
Hello ,
One way to know the size of the piston is to measure the inside cylinder with a caliper . Standart is 62mm when 62.2mm it is the first oversized and than if 62.4mm that's the second oversized and the last one is 62.6mm .
Christian , 123 .
One way to know the size of the piston is to measure the inside cylinder with a caliper . Standart is 62mm when 62.2mm it is the first oversized and than if 62.4mm that's the second oversized and the last one is 62.6mm .
Christian , 123 .
- 21 Jun 2025 11:55
- Forum: Tre e mezzo
- Topic: Rev Counter
- Replies: 3
- Views: 1655
Re: Rev Counter
Hello ,
There are photos of what it is inside . This is a type of components because sometimes they changed the components . But they work for the same result at the end .
Christian , 123 .
.JPG[/attachment]
There are photos of what it is inside . This is a type of components because sometimes they changed the components . But they work for the same result at the end .
Christian , 123 .
.JPG[/attachment]
- 03 Apr 2025 12:41
- Forum: Tre e mezzo
- Topic: Spokes dimensions for sport 77 disc and drum
- Replies: 10
- Views: 6543
Re: Spokes dimensions for sport 77 disc and drum
Hi ,
About the bend angles and lengths I will measure them .
Concerning the photos of the complete wheel I can only send them by e-mail because I am not smart enought to place them on this forum .
Christian .
About the bend angles and lengths I will measure them .
Concerning the photos of the complete wheel I can only send them by e-mail because I am not smart enought to place them on this forum .
Christian .
- 02 Apr 2025 16:10
- Forum: Tre e mezzo
- Topic: Spokes dimensions for sport 77 disc and drum
- Replies: 10
- Views: 6543
Re: Spokes dimensions for sport 77 disc and drum
Hello ,
I have photos of a complete front wheel but I can't sent them on this forum .
The Ø of the spokes are 3.5mm and the total lenght is 170mm .
And the spokes are fit inside an outside of the hub .
I have photos of a complete front wheel but I can't sent them on this forum .
The Ø of the spokes are 3.5mm and the total lenght is 170mm .
And the spokes are fit inside an outside of the hub .